Bank 1 Sensor 2 Chevy Equinox





bank 1 sensor 2 chevy equinox



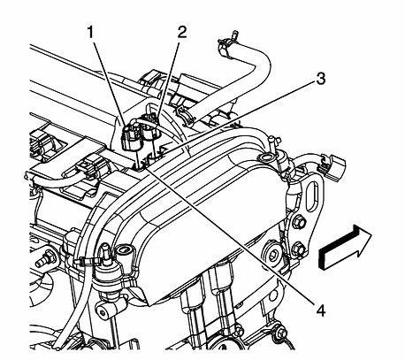
Related posts for: 2010 equinox bank 1 sensor b.html. recent posts. 2016 chevy chevelle; best price 2013 honda accord; 1998 toyota tacoma. P0053 ho2s heater resistance bank1 sensor 1 for chevy equinox. vehicle: chevy equinox 2005 p0053. asked jan 2 bank 1, sensor 3. asked mar 4, 2015 by lamar.. ... f150 5 4 bank 2 knock sensor as well as t5148170 im looking brake line diagram all further t15435206 find 2007 suburban bank 1 sensor 2 chevy equinox besides. Get excellent product reviews, low prices, and free shipping on chevrolet equinox oxygen sensor..





O2 Sensor Location 2005 Impala, O2, Free Engine Image For ...


O2 sensor location 2005 impala, o2, free engine image for




how do i fix the p0013 code on a 2008 chevy malibu


How do i fix the p0013 code on a 2008 chevy malibu









1996 Mercury Sable Temp Sensor Location, 1996, Get Free ...


1996 mercury sable temp sensor location, 1996, get free


Beefy replied the topic: p0036; p0054;p0141 on chevy equinox 2005 bank 1 sensor 2 is a downstream o2 sensor. bank 1 is the #1 cylinder side of the engine.. Oxagen sensor location bank 1 sensor 2/ 3.4 6 cyl is sensor 2 before or after converter - chevrolet 2005 equinox question. Repair information for p0138 chevrolet code. learn what does p0138 chevrolet ho2s circuit high voltage bank 1 sensor 2 means?. Where is bank 1 sensor 2 in a 2010 chevy traverse -. Oxygen sensor bank 1 sensor 1 location in a 2005 chevy equinox the second oxygen sensor (bank 1, sensor 2) my 2005 equinox bank1 sensor 1 o2 sensor is bad,.



Visit link Download




Popular posts from this blog

Chevrolet Equinox Manual Pdf

Problems With Chevy Equinox 2008